天正电气获得发明专利授权:“一种断路器的控制装置及断路器的控制方法”

图片来源于网络,如有侵权,请联系删除
证券之星消息,根据天眼查APP数据显示天正电气(605066)新获得一项发明专利授权,专利名为“一种断路器的控制装置及断路器的控制方法”,专利申请号为CN202010295450.3,授权日为2025年5月23日。
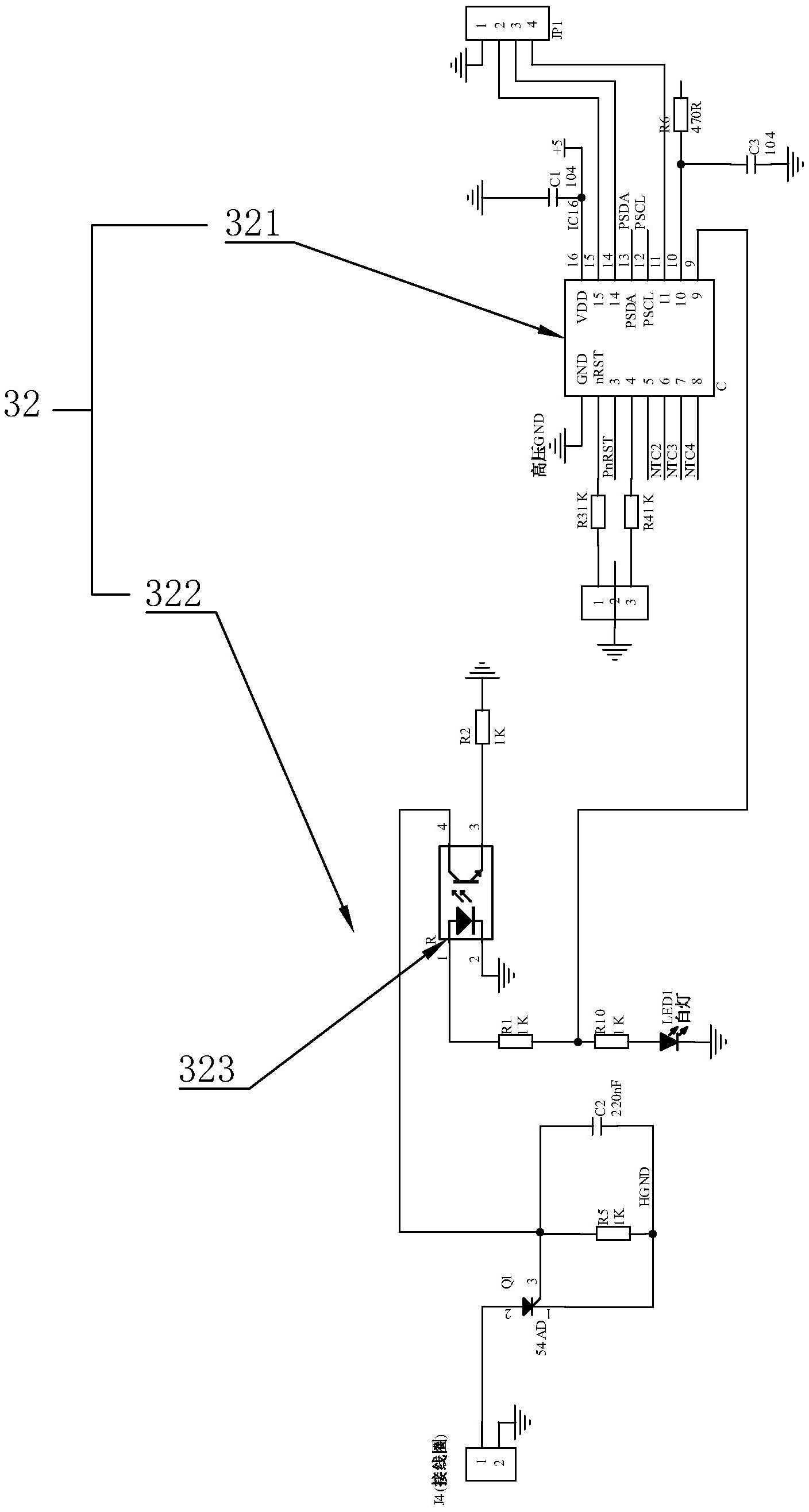
专利摘要:本发明公开了一种断路器的控制装置及断路器的控制方法,包括母线电压检测电路检测电网状态生成电网母线检测结果;存储器获取存储动作命令依据,根据电网母线检测结果更新电网母线标志位;控制电路获取断路器控制命令及环境温度,根据预设温度阈值生成环境状态判断结果;根据断路器控制命令、电网母线检测结果、电网母线标志位及环境状态判断结果生成断路器动作命令;驱动电路根据断路器动作命令、动作命令依据控制驱动电机运动来控制断路器开关状态。本发明根据电网母线标志位、断路器控制命令、动作命令依据,生成不同环境状态断路器动作命令以控制断路器开关状态,提高了断路器环境适应性及可靠性。

图片来源于网络,如有侵权,请联系删除
今年以来天正电气新获得专利授权73个,较去年同期增加了58.7%。结合公司2024年年报财务数据,2024年公司在研发方面投入了1.61亿元,同比增5.72%。
数据来源:天眼查APP
以上内容为证券之星据公开信息整理,由AI算法生成(网信算备310104345710301240019号),不构成投资建议。
目录 返回
首页
