中国石油获得发明专利授权:“岩石孔隙度测量方法及装置”

图片来源于网络,如有侵权,请联系删除
证券之星消息,根据天眼查APP数据显示中国石油(601857)新获得一项发明专利授权,专利名为“岩石孔隙度测量方法及装置”,专利申请号为CN202311193402.3,授权日为2025年10月3日。
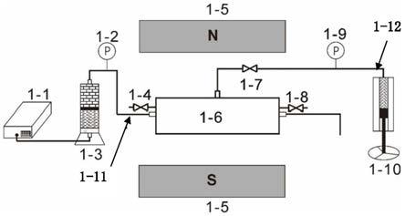
专利摘要:本发明提供了一种岩石孔隙度测量方法及装置,涉及地球物理技术领域,该方法包括:控制真空泵对岩心杯抽真空,直至岩心杯的真空度小于或等于第一预设阈值;控制预定气体存储容器向参比室充入预定气体,直至参比室内压力等于预设初始绝对压力;控制岩心杯与参比室之间的连通阀开启,在确定预设时长内参比室压力的变化量小于第二预设阈值后,确定岩心杯与参比室连通后的平衡压力;获取岩心杯体积、参比室体积、岩石样品总体积;根据岩心杯体积、参比室体积、预设初始绝对压力、和岩心杯与参比室连通后的平衡压力,确定岩石样品颗粒体积;根据岩石样品颗粒体积和岩石样品总体积,确定岩石孔隙度。本发明可以提高岩石孔隙度测量的精度。

图片来源于网络,如有侵权,请联系删除
今年以来中国石油新获得专利授权1186个,较去年同期减少了28.3%。结合公司2025年中报财务数据,今年上半年公司在研发方面投入了98.99亿元,同比增2.51%。
通过天眼查大数据分析,中国石油天然气股份有限公司共对外投资了1289家企业,参与招投标项目443次;财产线索方面有商标信息107条,专利信息32834条;此外企业还拥有行政许可168个。
数据来源:天眼查APP
以上内容为证券之星据公开信息整理,由AI算法生成(网信算备310104345710301240019号),不构成投资建议。
目录 返回
首页
