小熊电器获得实用新型专利授权:“风冷机构及恒温器”

图片来源于网络,如有侵权,请联系删除
证券之星消息,根据天眼查APP数据显示小熊电器(002959)新获得一项实用新型专利授权,专利名为“风冷机构及恒温器”,专利申请号为CN202520440496.8,授权日为2026年1月27日。
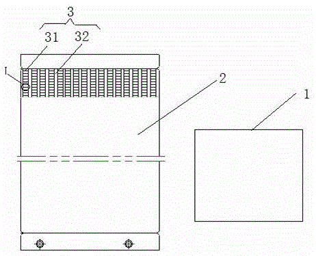
专利摘要:本实用新型涉及风冷机构及恒温器,风冷机构,恒温器包括底座、设置于底座上的侧壁以及可移除地安装于底座上的容器,容器与侧壁之间具有间隙,侧壁为中空结构,侧壁内侧朝向容器开设出风口;风冷机构包括:导风件,为中空框体,固定于侧壁内,第二端罩设于出风口外侧,外侧具有导风板,导风板的第二端与容器外侧相切;风机,风机的出风口连通导风件的第一端。风机向导风件内进风,由于导风板的第二端与容器外侧相切,使得气流进入导风件被导风板引导后,以与容器外侧表面相切的方向从出风口吹出并沿容器与侧壁之间的间隙流动,减少风量反弹的损失,提高冷却效率。

图片来源于网络,如有侵权,请联系删除
今年以来小熊电器新获得专利授权11个,较去年同期减少了35.29%。结合公司2025年中报财务数据,2025上半年公司在研发方面投入了1.06亿元,同比增14.4%。
通过天眼查大数据分析,小熊电器股份有限公司共对外投资了28家企业,参与招投标项目112次;财产线索方面有商标信息2561条,专利信息2750条,著作权信息108条;此外企业还拥有行政许可36个。
数据来源:天眼查APP
以上内容为证券之星据公开信息整理,由AI算法生成(网信算备310104345710301240019号),不构成投资建议。
目录 返回
首页
