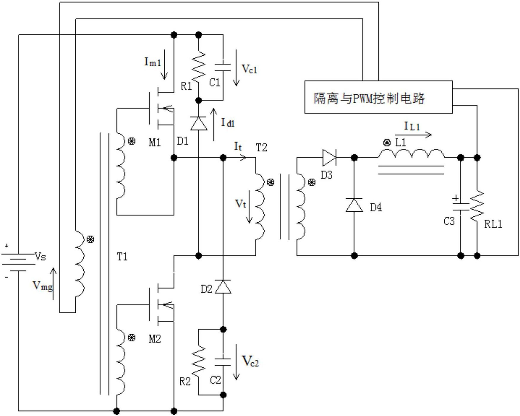
时代电气公布国际专利申请:“一种双有源桥变换器及电源供应装置”

图片来源于网络,如有侵权,请联系删除
证券之星消息,根据企查查数据显示时代电气(688187)公布了一项国际专利申请,专利名为“一种双有源桥变换器及电源供应装置”,专利申请号为PCT/CN2024/124120,国际公布日为2026年4月16日。
专利详情如下:

图片来源于网络,如有侵权,请联系删除
图片来源:世界知识产权组织(WIPO)
今年以来时代电气已公布的国际专利申请3个,较去年同期增加了200%。结合公司2025年年报财务数据,2025年公司在研发方面投入了30.11亿元,同比增13.35%。
数据来源:企查查
以上内容为证券之星据公开信息整理,由AI算法生成(网信算备310104345710301240019号),不构成投资建议。
目录 返回
首页
